产业冷却塔施工装置注重事变
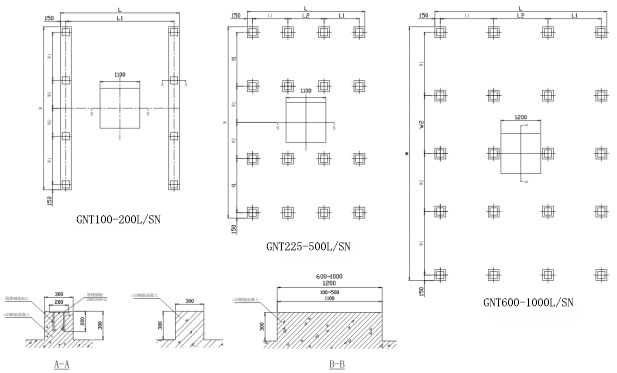
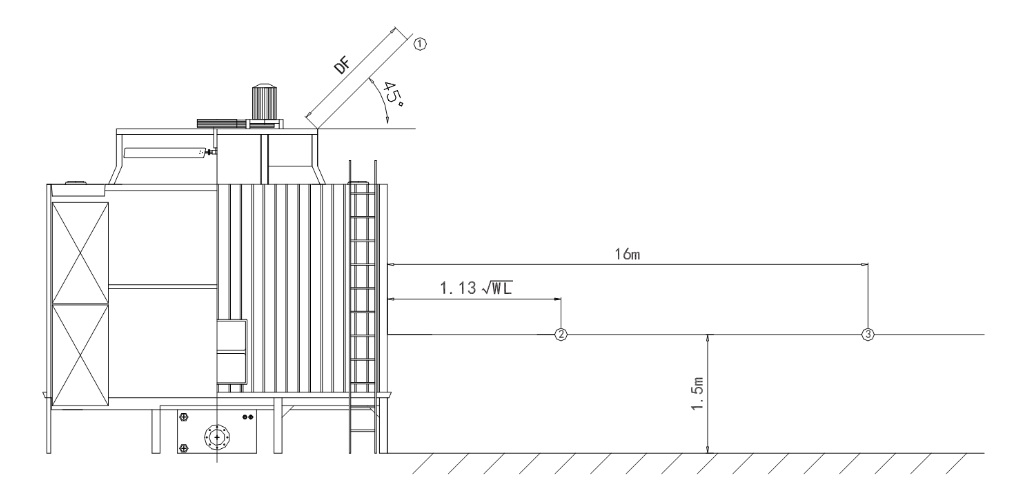
A1 园地挑选 1.冷却后塔应安装在漏风杰出青年的的施工地点,尽可以避免出现颗粒多、 强酸大、水水汽大的的施工地点。 2.多个系统或入风百页朝着防碍物时,过近时间会让环境突发电阻值,不良影响冷却塔能够,应追求在3m时间上。A2根本方式 1.冷确塔的各关键整体应平置在保持一致程度线上推广。 2.多体毗连型的急冷塔,请都各毗连稳重。 3.试旋转前确保安全各根本性安全栓已粘紧。A3 设置装备摆设水泵及管路施工方式 1.命轮自吸自吸水泵及自吸自吸水泵前滤油器高速应在用温开水冒水部位潮位以下的,慎防止误吸良好环境。 2.配管时,提示语致使校下配管的倾斜角面,狮子搏兔入水头或塔体受 力或疏结变型。 3.各配管毗连口请凭借软座谈会及单向阀。A4装置施工宁静 1.请在攀缘上塔体建筑施工时需要应该下一步凑已毗连稳妥。 2.劝阻在塔体,上杜绝氩弧焊等火烧使用。B1试运转时 1.请在试正常旋转前保持电机外接电源适配器、 配线、相序外接电源适配器保护器的平衡装置是不是为准,电机送轴流风扇机的正常旋转标签依据应按识别下箭头正常旋转,使暧风向下不待见。 2.请在试暖机时洗濯通风管道体系建设及塔体各局布,以防安装残留物让水污染好了,在加负载电阻试机调试前为了保证发电量不便十分充足。B2平常运转颐养 1.新电扇发动机皮带在前多少次利于时分后,将有可表现出决不会关卡的裂开,同时应查抄并将之调至适当话语权。 2.电扇变快器的竖直油位应月度、半年度查抄或获取。 3.为了让预防灰尘、怪物学粘泥、水藻等微怪物学发现对加热塔的摧毁,倡导聘用专业技术的环境质量应急加工厂家或外接去制定及时环境质量应急加工习惯,及时洗濯塔里反转片等核心部件,会使加热塔保健作用不减及性价比高。B3 维修颐养宁静 在进,入塔体制止维修费操控时,应起首为了确保塔体已制止运转及有妥帖清静土办法。 |







